[content:title] [content:title] [content:title] [content:title] [content:title]
细菌纳米纤维素分散液S30N
细菌纤维素(Bacterial cellulose,简称BC),是由微生物发酵合成的多孔性网状纳米级生物高分子聚合物。它由独特的丝状纤维组成,外观呈乳白凝胶状,纤维直径在10~100纳米 之间,每一丝状纤维由一定数量的超微纤维组成网状结构,与植物纤维素的主要差别在于其不含有半纤维素、木质素等。作为一种新型纳米材料,细菌纤维素已应用于纺织、医用材料、食品等各个领域。常见用途如高强度凝胶、特种纸、耳机膜、医药辅料、面膜等。本公司通过对菌种和培养液的精选和优化、采用生物静态发酵过程来生产细菌纤维素膜及其分散液,以满足不同的客户需求。
型号:S30N
产品描述
基本参数

image.png



产品种类

image.png



产品外观

产品外观.png


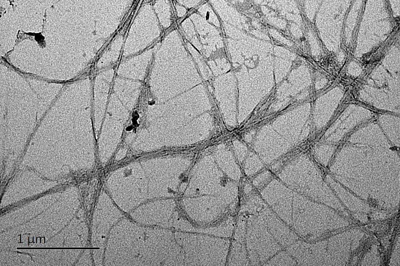
产品表征

产品表征.png

应用领域

应用领域.png

注意事项

注意事项:

1. 水分散液避免日光直射或冷冻储存,常温或冷藏可储存一年。

2. 粉末产品要保持干燥条件下储存。

赛路纳科技坐落于桂林市七星区铁山路桂林国家高新区英才科技园,专业从事于新兴材料纳米纤维素的生产、研发和销售。

联系我们

联系人:何先生

电话:18926068686

邮箱:heray@cellunano.com

地址:广西桂林市七星区铁山路桂林国家高新区英才科技园A-24号

 Copyright © 2025 赛路纳科技 版权所有  桂ICP备2024043167号-1